KJF

ENG


Top Flange Type Swing Clamp

YOU CAN COUNT ON OUR EXPERTISE

Piping and Manifold Method

Features
  • 나사산 하우징
  • 니플 배관형
  • 가스켓 배관형
  • 스윙클램프는 Meter-Out Valve가 속도조절에 유리
  • 내경범위 : ø25~55
  • 작동범위 : 20~150kgf/㎠
  • 사용온도 : 0~60℃
  • 레버는 옵션
  • Model No.
    • 1
      Clamp Type
      SDR = SWING RIGHT
      SDL = SWING LEFT
    • 2
      Piston Diameter
      ex ) 25 = Ø25
    • 3
      Pistion Rod Stroke
      ex ) 22 = 22mm
    • 4
      Type
      P = Pin Hole Rod
      G = Gasket
      GP = Gasket + Pin Hole Rod
      GW = Gasket + Flow control valve
      GPW = Gasket + Pin Hole Rod + Flow Control Valve
      ★ W: Meter-Out Valve / V: Meter-In Valve
      No sign = Standard
    • 5
      Swing Angle
      No sign = 90°
      ex) 30 = 30°
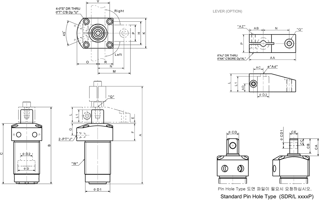
    SWING CLAMP TOP FLANGE TYPE
    • SDR/L-2522
    • SDR/L-3030
    • SDR/L-4045
    • SDR/L-5555
    - Standard Type
    MODEL NO 주문 Download Dimensions(mm)
    2D 3D PDF A B C øD øD1 øD2 E F G H J K L L1 M N O P Q R S T U V W AA AB AC AD øAd AJ AK AL AZ CA CB CC øCD1 øCD CE
    SDR/L-2522 152 130 99 25 37 18 3 30 21 42 PT 1/8 55 28 24 50 40 32 28 M8x1.25P 19 6.5 11 15 25 M40x1.5P 71.5 21.5 15 12.5 9 6.5 11 7 M6 27 22.5 10 8 17 12
    SDR/L-3030 188 158 123 30 45.5 22.4 3 35 22 42 PT 1/4 54 32 27 60 50 36.5 32 M10x1.5P 27 6.5 11 15 42 M48x1.5P 88 28 19 14 11 9 14 9 M8 30 26 12 10 21 14
    SDR/L-4045 223 178 140 40 57 28 3 40 26 54 PT 1/4 70 35 29 75 60 48.5 38 M12x1.75P 35 9 14 20 54 M60x1.5P 110 35 24.5 15 13 11 17 11 M10 34 31 14 12 26.5 18
    SDR/L-5555 280 225 182 55 76 35 3 45 30 70 PT 3/8 89 40 34 90 70 59 60 M16x2.0P 44.5 11 17 25 70 M80x2.0P 130 40 28 17 17 11 17 20 M10 43 38 18 16 33 22
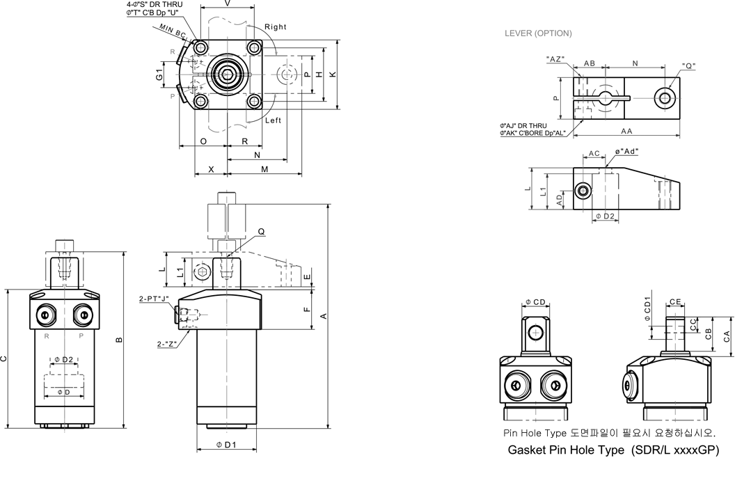
    - G Type
    MODEL NO 주문 Download Dimensions(mm)
    2D 3D PDF A B C øD øD1 øD2 E F G1 H J K L L1 M N O P Q R S T U V X Z AA AB AC AD øAd AJ AK AL AZ BC CA CB CC øCD1 øCD CE
    SDR/L-2522G 152 130 99 25 37 18 3 30 20 42 PT 1/8 55 28 24 50 40 32 28 M8x1.25P 19 6.5 11 15 25 23 P6 71.5 21.5 15 12.5 9 6.5 11 7 M6 3.9 27 22.5 10 8 17 12
    SDR/L-3030G 188 158 123 30 45.5 22.4 3 35 23 42 PT 1/4 54 32 27 60 50 36.5 32 M10x1.5P 27 6.5 11 15 42 25.5 P6 88 28 19 14 11 9 14 9 M8 3.3 30 26 12 10 21 14
    SDR/L-4045G 223 178 140 40 57 28 3 40 31 54 PT 1/4 70 35 29 75 60 48.5 38 M12x1.75P 35 9 14 20 54 35 P6 110 35 24.5 15 13 11 17 11 M10 3.3 34 31 14 12 26.5 18
    SDR/L-5555G 280 225 182 55 76 35 3 45 35 70 PT 3/8 89 40 34 90 70 59 60 M16x2.0P 44.5 11 17 25 70 43 P10 130 40 28 17 17 11 17 20 M10 1.8 43 38 18 16 33 22
    - GW(meter-out)/GV(meter-in) Type
    MODEL NO 주문 Download Dimensions(mm)
    2D 3D PDF A B C øD øD1 øD2 E F G1 H J K L L1 M N O P Q R S T U V X Z AA AB AC AD øAd AJ AK AL AZ BA BB BC CA CB CC øCD1 øCD CE
    SDR/L-2522GV 152 130 99 25 37 18 3 30 20 42 PT 1/8 55 28 24 50 40 32 28 M8x1.25P 19 6.5 11 15 25 23 P6 71.5 21.5 15 12.5 9 6.5 11 7 M6 7.2 13.7 3.9 27 22.5 10 8 17 12
    SDR/L-3030GV 188 158 123 30 45.5 22.4 3 35 23 42 PT 1/4 54 32 27 60 50 36.5 32 M10x1.5P 27 6.5 11 15 42 25.5 P6 88 28 19 14 11 9 14 9 M8 7.2 16.8 3.3 30 26 12 10 21 14
    SDR/L-4045GV 223 178 140 40 57 28 3 40 31 54 PT 1/4 70 35 29 75 60 48.5 38 M12x1.75P 35 9 14 20 54 35 P6 110 35 24.5 15 13 11 17 11 M10 7.2 16.8 3.3 34 31 14 12 26.5 18
    SDR/L-5555GV 280 225 182 55 76 35 3 45 35 70 PT 3/8 89 40 34 90 70 59 60 M16x2.0P 44.5 11 17 25 70 43 P10 130 40 28 17 17 11 17 20 M10 5.7 15.3 1.8 43 38 18 16 33 22
    TOP